PRODUCTS
製品一覧
特徴
- 開閉動作時のみ通電し、開閉状態維持には通電がいらない超低電力のピンチバルブです。
ほとんど発熱しないので、熱に弱い細胞を含む流体等の制御に最適です。 - 駆動にはDCギヤードモーターを使用し、専用ドライバー回路が不要です。
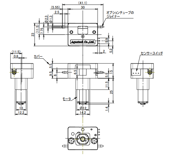
- カバーはマグネット付きでワンタッチで脱着でき、チューブの交換が容易にできます。
- 外部流路のチューブをバルブに簡単に接続できるようにするために、チューブの両端にチューブジョイントを付けた専用チューブをオプション販売。
SPECIFICATION
仕様
| 型番名称 | RV-001ZA | RV-001ZB | RV-001ZC |
|---|---|---|---|
| シリーズ名 | RVシリーズ | RVシリーズ | RVシリーズ |
| 外形寸法 | 30 × 23 × 41.4 mm | 30 × 23 × 41.4 mm | 30 × 23 × 41.4 mm |
| IN(COM)圧力〔kPa〕 | 0 ~ 150 kPa | 0 ~ 150 kPa | 0 ~ 150 kPa |
| 電圧〔V〕 | 3 | 3 | 3 |
| 消費電力〔W〕 | 0.75 W(起動時)、 0.27 W(バルブ開閉時) | 0.75 W(起動時)、 0.27 W(バルブ開閉時) | 0.75 W(起動時)、 0.27 W(バルブ開閉時) |
| 適応チューブ | シングルユース シリコーンチューブTypeV(高耐久グレード)、 ファーメドBPT、 バーシロンF-5500-A、 トランスマスターTM-15、 タイゴンLMT-55 | シングルユース シリコーンチューブTypeV(高耐久グレード)、 ファーメドBPT、 バーシロンF-5500-A、 トランスマスターTM-15、 タイゴンLMT-55 | シングルユース シリコーンチューブTypeV(高耐久グレード)、 ファーメドBPT、 バーシロンF-5500-A、 トランスマスターTM-15、 タイゴンLMT-55 |
| チューブ内径〔mm〕 | トランスマスターTM-15: 1.6 mm その他: 1/16 inch (1.59 mm) | トランスマスターTM-15: 1.6 mm その他: 1/16 inch (1.59 mm) | トランスマスターTM-15: 1.6 mm その他: 1/16 inch (1.59 mm) |
| チューブ外径〔mm〕 | トランスマスターTM-15: 3.2 mm その他: 1/8 inch (3.18 mm) | トランスマスターTM-15: 3.2 mm その他: 1/8 inch (3.18 mm) | トランスマスターTM-15: 3.2 mm その他: 1/8 inch (3.18 mm) |
| 重量 | 約30 g | 約30 g | 約30 g |
| 備考1 | チューブの耐久性: 15 万サイクル以上 | チューブの耐久性: 15 万サイクル以上 | チューブの耐久性: 15 万サイクル以上 |
| 備考2 | 本体駆動系の耐久性: 50 万サイクル以上 | 本体駆動系の耐久性: 50 万サイクル以上 | 本体駆動系の耐久性: 50 万サイクル以上 |
| 備考3 | 配線長さ: 50 cm 配線コネクタ: なし | 配線長さ: 2 m 配線コネクタ: あり | 配線長さ: 50 cm 配線コネクタ: あり |
当社には1万点以上の製品があり、
すべてを掲載しておりません。
ご要望に合った製品をご提案いたします。
寸法図
コネクター無バルブ 配線図
-
【配線】
2回路2接点の切替スイッチと、3 VDCの電源(直流電源装置、乾電池など)を用意してください。
バルブから出ている 赤、橙、黄、茶、黒の5本の配線を左の図のように接続してください。
- 【動作】
スイッチが図の位置(赤がプラス、橙がマイナス)で、バルブが開きます。
スイッチが図と反対側の位置(黄がプラス、赤がマイナス)で、バルブが閉じます。
オプションチューブ
長さ 24.5 mm のチューブの両端に専用のチューブジョイントを取り付けたもので、バルブに簡単に装着できます。
お手持ちのチューブをチューブジョイントの両端に接続して、ご使用ください。(適応サイズ:内径1.6 mm(1/16 inch))
(オプションチューブに付属しているチューブ部分は、交換出ません)
CONTACT
お問い合わせはこちら
掲載されていないスペックも対応可能ですので、お気軽にお問い合わせください。
フォームが表示されるまでしばらくお待ち下さい。
恐れ入りますが、しばらくお待ちいただいてもフォームが表示されない場合は、こちらまでお問い合わせください。