PRODUCTS
製品一覧
特徴
- 使用実績の多い定番製品の汎用タイプです。
- 幅広い用途に使われています。
- DCモータータイプもあります。詳細はお問い合わせください。
SPECIFICATION
仕様
型番名称 | RP-M02S-5Z-AC100V | RP-M02F-5Z-AC100V | RP-M03S-15Z-AC100V | RP-M03F-15Z-AC100V | RP-M04S-20Z-AC100V | RP-M04F-20Z-AC100V | RP-M04C-20Z-AC100V | RP-M04S-35Z-AC100V | RP-M04F-35Z-AC100V | RP-M04C-35Z-AC100V |
---|---|---|---|---|---|---|---|---|---|---|
シリーズ名 | RP-M | RP-M | RP-M | RP-M | RP-M | RP-M | RP-M | RP-M | RP-M | RP-M |
外形寸法 | 74 × 74.5 × 44.7 mm | 74 × 74.5 × 44.7 mm | 74 × 74.5 × 44.7 mm | 74 × 74.5 × 44.7 mm | 74 × 74.5 × 44.7 mm | 74 × 74.5 × 44.7 mm | 74 × 74.5 × 44.7 mm | 74 × 74.5 × 44.7 mm | 74 × 74.5 × 44.7 mm | 74 × 74.5 × 44.7 mm |
電圧〔V〕 | 100 VAC | 100 VAC | 100 VAC | 100 VAC | 100 VAC | 100 VAC | 100 VAC | 100 VAC | 100 VAC | 100 VAC |
ボディ材質 | ABS、PP | ABS、PP | ABS、PP | ABS、PP | ABS、PP | ABS、PP | ABS、PP | ABS、PP | ABS、PP | ABS、PP |
適応チューブ | シリコーン | ファーメド BPT | シリコーン | ファーメド BPT | シリコーン | ファーメド BPT | SWFT | シリコーン | ファーメド BPT | SWFT |
チューブ内径〔mm〕 | 2 | 2 | 3 | 3 | 4 | 4 | 3.9 | 4 | 4 | 3.9 |
チューブ外径〔mm〕 | 4 | 4 | 5 | 5 | 6 | 6 | 5.8 | 6 | 6 | 5.8 |
自吸可否 | 可 | 可 | 可 | 可 | 可 | 可 | 可 | 可 | 可 | 可 |
吐出流量 | ~ 50Hz:4.2 mL/min ~ 60Hz:5 mL/min | ~ 50Hz:4.2 mL/min ~ 60Hz:5 mL/min | ~ 50Hz:12.5 mL/min ~ 60Hz:15 mL/min | ~ 50Hz:12.5 mL/min ~ 60Hz:15 mL/min | ~ 50Hz:17 mL/min ~ 60Hz:20 mL/min | ~ 50Hz:17 mL/min ~ 60Hz:20 mL/min | ~ 50Hz:17 mL/min ~ 60Hz:20 mL/min | ~ 50Hz:29 mL/min ~ 60Hz:35 mL/min | ~ 50Hz:29 mL/min ~ 60Hz:35 mL/min | ~ 50Hz:29 mL/min ~ 60Hz:35 mL/min |
重量 | 約200 g ※1 | 約200 g ※1 | 約200 g ※1 | 約200 g ※1 | 約200 g ※1 | 約200 g ※1 | 約200 g ※1 | 約200 g ※1 | 約200 g ※1 | 約200 g ※1 |
※1 モーター仕様によります。
※この製品は、株式会社アクアテックの製品です。
※この製品は、株式会社アクアテックの製品です。
当社には1万点以上の製品があり、
すべてを掲載しておりません。
ご要望に合った製品をご提案いたします。
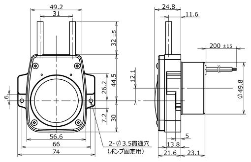
寸法図

P-Q特性
※チューブ材質・大きさ、モータにより変化します。

標準機種ポンプの吐出量範囲

CONTACT
お問い合わせはこちら
掲載されていないスペックも対応可能ですので、お気軽にお問い合わせください。
フォームが表示されるまでしばらくお待ち下さい。
恐れ入りますが、しばらくお待ちいただいてもフォームが表示されない場合は、こちらまでお問い合わせください。