PRODUCTS
製品一覧
特徴
- 使用実績の多い定番製品の汎用タイプです。
- 幅広い用途に使われています。
- ACモータータイプもあります。詳細はお問い合わせください。
SPECIFICATION
仕様
型番名称 | RP-M02S-5Z-DC24V | RP-M02F-5Z-DC24V | RP-M02W-5Z-DC24V | RP-M03S-10Z-DC24V | RP-M03F-10Z-DC24V | RP-M03W-10Z-DC24V | RP-M03S-20Z-DC24V | RP-M03F-20Z-DC24V | RP-M03W-20Z-DC24V | RP-M03S-30Z-DC24V | RP-M03F-30Z-DC24V | RP-M03W-30Z-DC24V | RP-M04S-50Z-DC24V | RP-M04F-50Z-DC24V | RP-M04W-50Z-DC24V | RP-M04C-50Z-DC24V | RP-M04F-70Z-DC24V | RP-M04W-70Z-DC24V | RP-M04C-70Z-DC24V |
---|---|---|---|---|---|---|---|---|---|---|---|---|---|---|---|---|---|---|---|
シリーズ名 | RP-M | RP-M | RP-M | RP-M | RP-M | RP-M | RP-M | RP-M | RP-M | RP-M | RP-M | RP-M | RP-M | RP-M | RP-M | RP-M | RP-M | RP-M | RP-M |
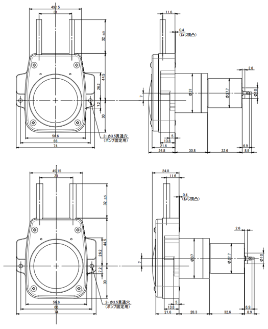
外形寸法 | 74 × 74.5 × 85 mm | 74 × 74.5 × 85 mm | 74 × 74.5 × 85 mm | 74 × 74.5 × 85 mm | 74 × 74.5 × 85 mm | 774 × 74.5 × 85 mm | 74 × 74.5 × 85 mm | 74 × 74.5 × 85 mm | 74 × 74.5 × 85 mm | 74 × 74.5 × 85 mm | 74 × 74.5 × 85 mm | 74 × 74.5 × 85 mm | 74 × 74.5 × 82.5 mm | 74 × 74.5 × 82.5 mm | 74 × 74.5 × 82.5 mm | 74 × 74.5 × 82.5 mm | 74 × 74.5 × 82.5 mm | 74 × 74.5 × 82.5 mm | 74 × 74.5 × 82.5 mm |
電圧〔V〕 | 24 VDC | 24 VDC | 24 VDC | 24 VDC | 24 VDC | 24 VDC | 24 VDC | 24 VDC | 24 VDC | 24 VDC | 24 VDC | 24 VDC | 24 VDC | 24 VDC | 24 VDC | 24 VDC | 24 VDC | 24 VDC | 24 VDC |
ボディ材質 | ABS、PP | ABS、PP | ABS、PP | ABS、PP | ABS、PP | ABS、PP | ABS、PP | ABS、PP | ABS、PP | ABS、PP | ABS、PP | ABS、PP | ABS、PP | ABS、PP | ABS、PP | ABS、PP | ABS、PP | ABS、PP | ABS、PP |
適応チューブ | シリコーン | ファーメド BPT | トランスマスター TM-15 | シリコーン | ファーメド BPT | トランスマスター TM-15 | シリコーン | ファーメド BPT | トランスマスター TM-15 | シリコーン | ファーメド BPT | トランスマスター TM-15 | シリコーン | ファーメド BPT | トランスマスター TM-15 | SWFT | ファーメド BPT | トランスマスター TM-15 | SWFT |
チューブ内径〔mm〕 | 2 | 2 | 2 | 3 | 3 | 3 | 3 | 3 | 3 | 3 | 3 | 3 | 4 | 4 | 4 | 3.9 | 4 | 4 | 3.9 |
チューブ外径〔mm〕 | 4 | 4 | 4 | 5 | 5 | 5 | 5 | 5 | 5 | 5 | 5 | 5 | 6 | 6 | 6 | 5.8 | 6 | 6 | 5.8 |
自吸可否 | 可 | 可 | 可 | 可 | 可 | 可 | 可 | 可 | 可 | 可 | 可 | 可 | 可 | 可 | 可 | 可 | 可 | 可 | 可 |
吐出流量 | ~ 5 mL/min | ~ 5 mL/min | ~ 5 mL/min | ~ 10 mL/min | ~ 10 mL/min | ~ 10 mL/min | ~ 20 mL/min | ~ 20 mL/min | ~ 20 mL/min | ~ 30 mL/min | ~ 30 mL/min | ~ 30 mL/min | ~ 50 mL/min | ~ 50 mL/min | ~ 50 mL/min | ~ 50 mL/min | ~ 65 mL/min | ~ 65 mL/min | ~ 65 mL/min |
重量 | 約260 g | 約260 g | 約260 g | 約260 g | 約260 g | 約260 g | 約260 g | 約260 g | 約260 g | 約260 g | 約260 g | 約260 g | 約260 g | 約260 g | 約260 g | 約260 g | 約260 g | 約260 g | 約260 g |
※ モーター軸が水平になるように取り付けてください。
※ この製品は、株式会社アクアテックの製品です。
※ この製品は、株式会社アクアテックの製品です。
当社には1万点以上の製品があり、
すべてを掲載しておりません。
ご要望に合った製品をご提案いたします。
寸法図

P-Q特性
※チューブ材質・大きさ、モータにより変化します。

標準機種ポンプの吐出量範囲

CONTACT
お問い合わせはこちら
掲載されていないスペックも対応可能ですので、お気軽にお問い合わせください。
フォームが表示されるまでしばらくお待ち下さい。
恐れ入りますが、しばらくお待ちいただいてもフォームが表示されない場合は、こちらまでお問い合わせください。